金年会金字招牌信誉至上首页

您好,欢迎您来到泰安金年会金字招牌信誉至上首页 仓储机械设备有限公司官方网站!服务热线:18653877118

粮食仓储系统研发生产诚信企业

致力打造中国粮食仓储信赖企业

绿色产业 环保理念

全国服务咨询热线:

18653877118

联系金年会金字招牌信誉至上首页
全国热线:
18653877118

营销总监:靳经理 18653877118
销售部:张经理 18653877126 
邮箱: admin@mengxiangshixian.com
           shelley@mengxiangshixian.com
销售总部: 山东泰安长城路96号天龙国际大厦B座1405室。
工厂地址:山东省泰安市岱岳区北集坡街道海纳街789号

河北衡水宠物饲料厂1-500T锥底仓验收成功
来源:泰安金年会金字招牌信誉至上首页 仓储机械设备有限公司 发布日期:2023/11/4 15:04:17 访问次数:
此项目是河北衡水犬猫粮宠物饲料厂项目,猫和狗一直是我国宠物中数量中大的两种类,饲养数量总体保持较为稳定的增长。2022年犬猫宠物数量达到1.17亿只

此项目是河北衡水犬猫粮宠物饲料厂项目,猫和狗一直是我国宠物中数量中大的两种类,饲养数量总体保持较为稳定的增长。2022年犬猫宠物数量达到1.17亿只,其中宠物猫数量为6536万只,同比增长12.57%;宠物犬数量为5119万只,同比下滑5.71%。整体来看,犬猫宠物数量增长3.74%,宠物规模延续增长态势。随着宠物饲养规模扩大,宠物饲料的需求量也将不断增加,进而推动宠物饲料厂原粮存储形式更加多样性。

  

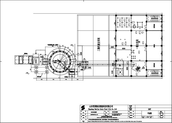
项目启动伊始,我司技术人员经过前期的现场勘查,发现现场情况复杂,地下管道纵横交错,厂区消防通道要求,二期厂房建设预留空间等诸多因素影响,使得筒仓建设空间有限,但我司技术人员突破重重困难,在满足各方面的要求下创造了更大的可能性。

  

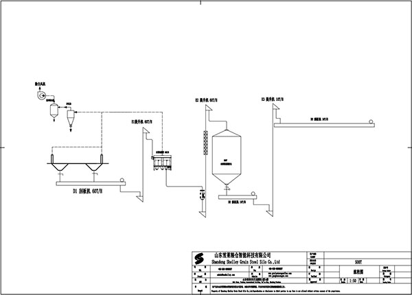
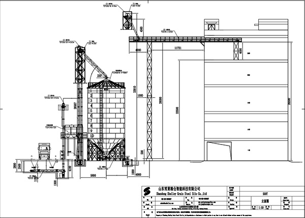
本项目为1-500T锥底金年会金字招牌信誉至上首页:钢板仓,项目采用两侧卸车篦子承重的方式,进出仓工作流程为粮食经卸粮坑底部刮板机输送进到提升机,提升机将粮食提升至到圆筒筛中,筛子将粮食中的大小杂质清理后通过仓前提升机将粮食提升进筒仓中。锥底金年会金字招牌信誉至上首页:钢板仓配合仓底闸门的开合通过刮板机将粮食输送到提升机,提升机将粮食提升通过架空刮板机输送进入到车间进行加工。

  

  

500T金年会金字招牌信誉至上首页:钢板仓容积710立方米,直径8.2米,层数10层,仓檐高16.2米,总高18.3米;金年会金字招牌信誉至上首页:钢板仓锥顶角度25度。全部镀锌板采用国产优质镀锌钢板,镀锌层均为275g/㎡。锥底金年会金字招牌信誉至上首页:钢板仓仓顶包括护栏,人孔,自然通风窗,仓顶简易爬梯,锥底金年会金字招牌信誉至上首页:钢板仓仓筒包括内外爬梯,仓门,仓门平台。锥底金年会金字招牌信誉至上首页:钢板仓锥底板,环梁,拉筋,柱脚喷漆处理。

  

  

合同签订后,公司按照合同约定时间进行基础设计,并对接施工人员进行图纸会审,此后实时对接现场基础施工情况,并派出技术人员对复杂现场进行放线定位,随时跟进施工进度及重点节点施工情况,防患于未然。

  

  

各部件生产完毕检验合格后于合同约定时间准时发货,并派出具有多年执业经验的项目经理进行现场监督及协调工作。货到现场后,金年会金字招牌信誉至上首页 安装团队凭借专业成熟的施工经验及精湛技艺,严格把关各道工序,用高质量的施工工艺进行安装,按时、按质、按量交付项目,赢得了用户的高度认可及赞扬。

  

  

山东金年会金字招牌信誉至上首页 粮仓智能科技有限公司作为专业的粮食储存金年会金字招牌信誉至上首页:钢板仓制造商和供应商,17年来一直致力于为全球客户提供一站式粮食储存和处理解决方案。自2007年以来,远销美国,加拿大,澳大利亚,新西兰,墨西哥、俄罗斯,乌克兰,哈萨克斯坦,泰国,越南,南非,印度,巴基斯坦,孟加拉国,埃及、洪都拉斯、智利、秘鲁、危地马拉、厄瓜多尔等六十多个国家和地区。金年会金字招牌信誉至上首页 粮仓以丰富行业经验、专业的技术、优良的服务赢得了广大用户的好评和信赖。