金年会金字招牌信誉至上首页

您好,欢迎您来到泰安金年会金字招牌信誉至上首页 仓储机械设备有限公司官方网站!服务热线:18653877118

粮食仓储系统研发生产诚信企业

致力打造中国粮食仓储信赖企业

绿色产业 环保理念

全国服务咨询热线:

18653877118

联系金年会金字招牌信誉至上首页
全国热线:
18653877118

营销总监:靳经理 18653877118
销售部:张经理 18653877126 
邮箱: admin@mengxiangshixian.com
           shelley@mengxiangshixian.com
销售总部: 山东泰安长城路96号天龙国际大厦B座1405室。
工厂地址:山东省泰安市岱岳区北集坡街道海纳街789号

安徽六安饲料厂2台600T金年会金字招牌信誉至上首页:钢板仓项目安装结束
来源:泰安金年会金字招牌信誉至上首页 仓储机械设备有限公司 发布日期:2023/11/13 10:55:23 访问次数:
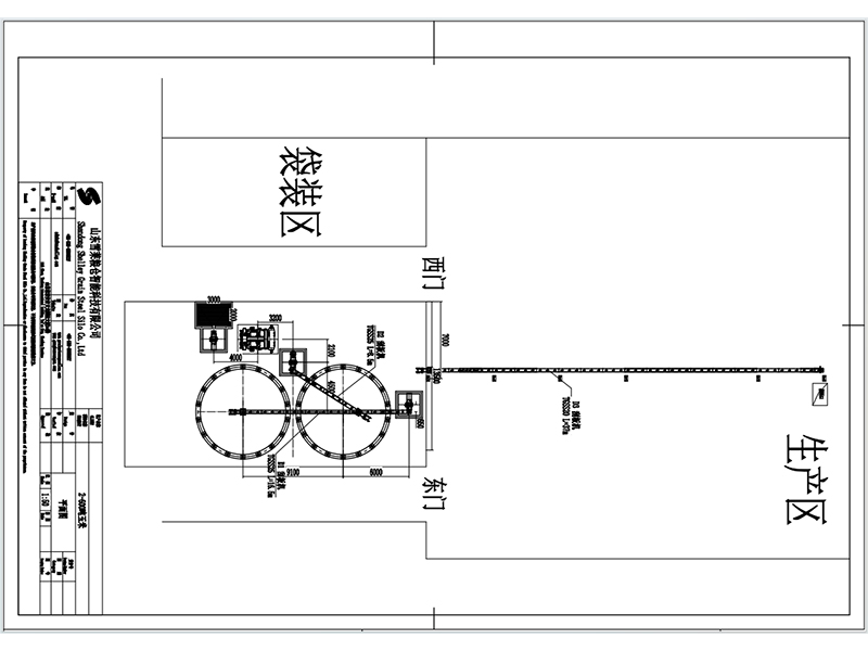
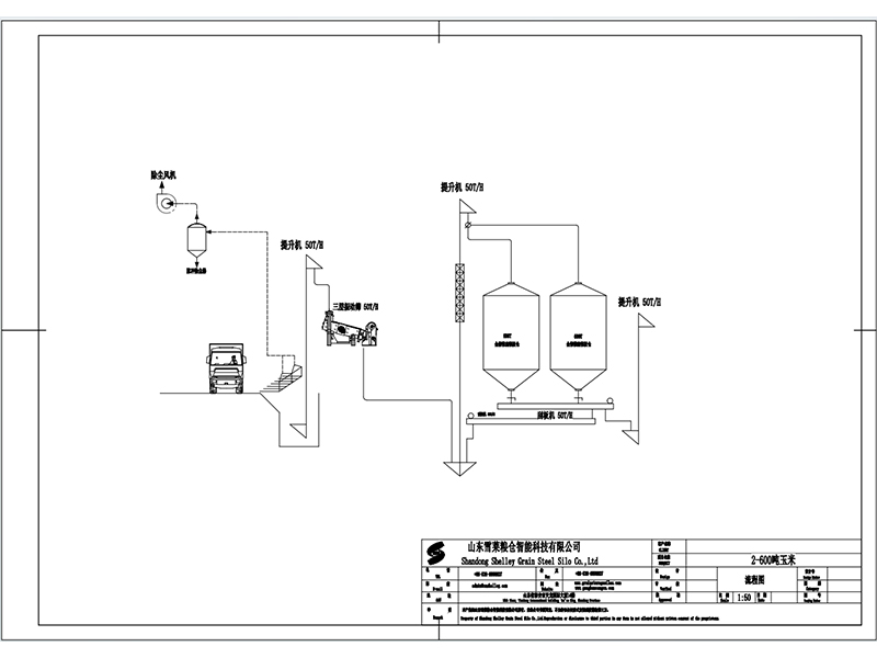
设计工艺简介:本项目设计包括2台φ8.2m,仓容600T镀锌装配式全钢锥底金年会金字招牌信誉至上首页:钢板仓、3台50/28型时产量50-60吨斗式提升机、3条TGSS25型时产量50-60吨刮板机

设计工艺简介:本项目设计包括2台φ8.2m,仓容600T镀锌装配式全钢锥底金年会金字招牌信誉至上首页:钢板仓、3台50/28型时产量50-60吨斗式提升机、3条TGSS25型时产量50-60吨刮板机、1台可筛分小麦和玉米杂质的三层振动清理筛(带风选设备)及整套除尘设备、通风测温设备和双电控柜系统,实现了客户散装玉米、散装小麦存储的机械化、电动化,当现场来料为玉米时,散装车可直接将散装玉米投入现场卸粮坑,由提升机将玉米提升至三层振动筛,振动筛将玉米中的大杂质、小杂质颗粒筛除,干净的玉米经过磁选器进入筒仓内部储存,用户可根据玉米储存的时间,选择定期检测仓内温度变化、当仓内温湿度过高,则温湿度数据通过电控柜控制面板报警,客户可选择打开仓底通风设备进行降温处理,还可通过为客户设计的倒仓功能,开启倒仓刮板,将1号仓存粮导入2号仓,保证粮食储存的时间和质量,避免霉变和结块的发生。

结尾,通过车间控制室内的电控柜,控制筒仓底部电动闸门,上料提升机和车间刮板输送机,实现与饲料车间待存仓的有效联动,减少2-4个人工,有效降低了客户的存储成本和人工管理成本。

  

主要设备参数介绍:
1.φ8.2m容积888m³金年会金字招牌信誉至上首页:钢板仓两座,可储存玉米600吨以上,仓体采用270g/平方双面镀锌板,机械辊压一体成型,筒仓层数共计13层,每层高度1.12m,全钢锥底结构,锥底角度按照45°标准设计,出料干净。柱腿采用18根国标H型钢,柱腿间拉筋。 2.50/28型号提升机三台,输送产量每小时可达50-60吨,斗提机带有机玻璃观察窗、鼠笼式尾轮,皮带防跑偏打滑,三台提升机同时配备止逆装置、机身装有防爆窗,有效保证使用安全,筒体表面镀锌处理,减少后期使用维护成本。 3.TGSS25型刮板机,输送产量匹配50/28型号提升机,采用镇江三维高分子聚乙烯耐磨刮板、锰钢链条,机头机尾加装耐磨板,人字形防雨盖板设计、机身镀锌处理,后期免维护。

  

  

公司接到订单后,立刻排产排单,拿到客户地勘报告后由设计院设计基础图纸,客户收到图纸后,快速落实土建施工队伍,我公司售后人员赶赴客户现场,与客户施工队伍对接、指导基础建设,保证客户基础施工快速、无误,省心安全。

筒仓基础采用圈梁式设计,满堂彩钢筋笼结构,木板支模后焊接预埋件,灌装混凝土即可。等待混凝土干燥后,回填中心土,养护后,基础表面及周围找平,打水泥处理,即可进场安装。

  

  

为让客户节省玉米采购成本,工厂车间加班加点,赶在安徽玉米秋收前发货进场,安装队与货物同时进场,现场赶进度,抢安装时间,赶在客户大量收玉米前完成筒仓组装,获得客户高度赞扬。

  

  

为抢时间进度,安装队采用吊车吊装式安装方法,仓帽围装,仓体吊装、锥底组装、吊车倒锥,设备地面组装、安装使用吊车,将安装时间压缩在25天,提前10天进行设备安装调试。

  

  

  

10月10号左右,在整机设备安装结束后,我公司销售经理和售后技术人员迅速赶赴安徽现场,进行现场试机上粮,通过现场调试,现场进粮,及时发现现场问题,由现场安装队伍第一时间改进,将客户订购的筒仓设备,保质保量的交付到客户手中。客户满意,金年会金字招牌信誉至上首页 放心,客户安心,金年会金字招牌信誉至上首页 舒心。

  

  

金年会金字招牌信誉至上首页 仓储公司生产的是装配式镀锌波纹金年会金字招牌信誉至上首页:钢板仓.金年会金字招牌信誉至上首页 金年会金字招牌信誉至上首页:钢板仓装配所用的波纹板是由自动化流水线一次成型,准确度高。金年会金字招牌信誉至上首页:钢板仓从上到下,加强筋和波纹板的厚度会越来越厚,因为底部的材料承受的重量更大。在包装和运输前,仓筒装配用的板材会统一进行相应的冲压、弯曲和镀锌工序。

  

装配式金年会金字招牌信誉至上首页:钢板仓具有自重轻、耗材少、可拆装、可移动的特点,在您的企业发展变迁后可拆迁可重复利用减少企业经营的二次成本。

  

  

我公司的装配式金年会金字招牌信誉至上首页:钢板仓能够有效限度的节省人工,并具有占地面积小、操作简单的特点。1000多个仓型,公司产品存储量在5T达到10000T,分为全钢锥底金年会金字招牌信誉至上首页:钢板仓,水泥锥底金年会金字招牌信誉至上首页:钢板仓和平底仓,可根据客户不同的要求定制。与传统仓库相比,金年会金字招牌信誉至上首页:钢板仓优势明显,主要包含以下几点:

  

1、金年会金字招牌信誉至上首页:钢板仓仓容量大、适应性广。单仓仓容为50~1200吨,选择配装测温、测湿通风、出料等设备,可以满足不同行业、不同物料的仓储要求;
2、金年会金字招牌信誉至上首页:钢板仓制造精度高、互换性强。金年会金字招牌信誉至上首页:钢板仓所有零部件均采用国内外全自动金年会金字招牌信誉至上首页:钢板仓轧制流水线生产,整体采用装配式结构,使用寿命长;
3、进出料自动化水平高。金年会金字招牌信誉至上首页:钢板仓和金年会金字招牌信誉至上首页:钢板仓群可以采用PLC系统实现模拟屏显自动控制,提高生产效率和仓储管理水平;
4、金年会金字招牌信誉至上首页:钢板仓投资省、成本低。与传统仓库相比同等仓容的金年会金字招牌信誉至上首页:钢板仓投资节省30%-50%,大大节约了人力成本。
5、如果储存粮食能有效的防止虫鼠损害粮食、霉变等问题。
6、钢筋混凝土筒仓,采用钢筋、水泥、沙石、水等,材料选择固定;金年会金字招牌信誉至上首页:钢板仓,采用的是钢板。
7、传统仓库施工复杂,机械化程度低,速度慢,高度受到一定的限制,容量小,对基础要求高;金年会金字招牌信誉至上首页:钢板仓专业设备施工,操作简单,技术含量高,全自动化,速度快时间短,容量大,占地面积小,对基础要求低。
8、传统仓库存储物料品种较单一,应用范围局限性大,管理使用困难,不能改造和拆迁;金年会金字招牌信誉至上首页:钢板仓,可存储粉状、液状、颗粒状等存储广泛,易于实现粮仓管理的科学化、系统化、自动化、合理化,可以进行改造。
9、传统仓库密封性、防水性能差、吸湿性能大、容易渗漏、防潮性能差;金年会金字招牌信誉至上首页:钢板仓密闭、防漏、防潮性能好,机械化、自动化程度高,配套设备齐全,工艺较合理,操作使用方便。
10、前者施工复杂,工作量大,机械化操作程度低,安全性较差;后者,全部机械化操作,建造技术含量高,较安全,防爆性较好。
11、传统仓库费用高、总投资高,运作费用也相对高,出库率低,一般在70%左右,长时间使用,容易造成库内物料堆积;金年会金字招牌信誉至上首页:钢板仓,工期短、劳力省、造价低,运作费用低,出库率高,达到90%以上,库内物料不容易堆积。

  

金年会金字招牌信誉至上首页 公司始建于2007年,现已拥有30多项发明专利和实用新型专利,近8000平米的无尘化车间,配备全自动激光切割机、数控车床、金属折弯机和自动剪板机等,公司拥有专业的设计师、工程师队伍10余人,厂长、车间主任、生产调度、熟练工及安装工上百人。自公司成立发展至今,与国内客户建立了广泛合作,同时远销至阿根挺,澳大利亚,美国,智利,柬埔寨,埃塞俄比亚,洪都拉斯,伊朗,印度,印度尼西亚,韩国,马来西亚,缅甸,巴基斯坦,南非,苏丹,塞尔维亚,泰国,坦桑尼亚,乌克兰,越南,秘鲁,新西兰,墨西哥,菲律宾和乌干达等55个国家和地区,赢得了国内外客户广泛好评。

  

好粮仓,金年会金字招牌信誉至上首页 造,让使用金年会金字招牌信誉至上首页 产品的人们更加幸福,是金年会金字招牌信誉至上首页 金年会金字招牌信誉至上首页 人不懈的追求。